Expédition sous 24/72 heures
|
Service Client
+393332686194
Chiudi ricerca
Montrer
Trier par
Catégories
Catégories
SOLDES D’HIVER
AMARRAGE ET ANCRAGE
Ancres pour bateaux
Ancrages en acier galvanisé
Ancres en acier inoxydable
Ancres en alliage d'aluminium
Ancres flottantes
Chaînes
Chaînes calibrées
Type génois à longue chaîne
Accessoires de chaîne
Systèmes de chaîne supérieure
Accessoires d'ancrage
Taquets et œillets
Butées d'ancrage et accessoires d'ancrage
Joints pivotants pour ancre
Manilles et mousquetons
Ressorts d'amarrage de bateau
Rouleaux d'étrave
Treuils et Guindeau
Guindeau Lofrans
Accessoires et pièces de rechange pour les treuils de guindeau de Lofrans
Guindeau Mz Electronique
Accessoires et pièces de rechange pour treuils d'ancrage électroniques Mz
Treuils de guindeau rapide
Accessoires et pièces de rechange pour treuils de guindeau rapides
Guindeau Maxwell
Accessoires et pièces de rechange pour guindeau Maxwell
Treuils manuels et électriques
Ancre de Lewmar
Accessoires et pièces de rechange pour guindeau Lewmar
Propulseurs d'étrave et de poupe
Propulseurs de puissance maximale
Accessoires Commandes Propulseur Max Power
Propulseurs rapides
Accessoires Commandes rapides du propulseur
Propulseurs d'étrave et manœuvre Vetus
Propulseurs d'étrave Lewmar
Cordes nautiques et accessoires de cordes
Cordes d'amarrage et cordes nautiques
Cordes d'amarrage avec dés à coudre
Accessoires pour cordes d'amarrage
Diverses tresses et mousquetons en nylon
Hauts d'ailes
Sangles d'orteils, Boucles
Bouées et défenses
Ailes polyformées
Ailes Majoni
Ailes Plastimo
Housses de garde-boue
Boe et Gavitelli
Garde-boue avant et arrière, profils de pare-chocs
Profils Bottazzi et Fender
Profils de pontons
Profils d'aile Tessilmare
Profil de Sphaera Tessilmare
Profil Tessilmare radial
Profil de Bino Tessilmare
Profil d'aile TR
EQUIPEMENT NAUTIQUE
Escaliers / Planches
Échelles de poupe et de proue
Echelles pour plongeurs
Échelles pour voiliers
Échelles pour bateaux pneumatiques
Accessoires d'échelle
Plates-formes arrière
Supports pour moteurs hors-bord
Supports de moteur pour plates-formes
Supports de moteur d'inclinaison et de pantographe
Passerelles
Passerelles fixes
Passerelles pliantes et télescopiques
Accessoires et pièces de rechange pour passerelles
Passerelles hydrauliques
Drapeaux, enchères et autocollants
Mâts de drapeau
Bases pour mâts de drapeau
Drapeaux nationaux de navigation
Panneaux, codes et tableaux adhésifs
Autocollants Lettres et Chiffres
Porte-cannes et Accessoires
Porte-cannes Laiton, Acier inoxydable, Plastique
Accessoires Pièces détachées Porte-cannes
Demi-marins
Rames et pagaies
Auvents Auvents Couvertures Serviettes
Auvents Auvents
Accessoires Auvents Auvents
Couvertures de bâche de bateau
Ventilateurs, grilles et prises d'air
Ventilateurs électriques et ventilateurs
Grilles d'admission d'air en acier inoxydable
Grilles d'admission d'air en plastique
Manches coupe-vent
Mains courantes Mains courantes Chaires Tendeurs
Mains courantes
Tendeurs et accessoires
Bases de support de tube de chaire
Cisailles et pinces à épisser
Rowlocks et clips
Roll Bar et bossoirs
Réservoirs et bouchons d'embarquement
Portes, hublots, trappes, ressorts à gaz et stores
Hublots, écoutilles et trous d'homme
Portes et trappes praticables
Ressorts à gaz, Campassi et actionneurs
Trappes et bouchons d'inspection
Rideaux OCEANAIR Pour Hublots et Trappes
Pênes dormants, butées de porte, fermetures et charnières
Pênes dormants en acier inoxydable, laiton, nylon
Butée de porte
Fermetures en acier inoxydable et laiton
Lève-serviettes Laiton, Nylon
Charnières en nylon et laiton en acier inoxydable
Cylindres, cadenas et serrures
Cylindres Serrures
Cadenas en acier inoxydable
Serrures de porte Poignées Portes Tiroirs
boulons en U, ponts, boulons à oeil
Câble inox Parafil, cosses, tendeurs
Vis en acier inoxydable
Colliers de serrage
Crochets et Cintre
APPAREILS MÉNAGERS, HYDRAULIQUES, SANITAIRES
Pompes de cale, autoclaves pour bateaux
FEIT pompes
Pompes autoclaves GIANNESCHI
Pompe Marco SPA Italie
Escarpins Jabsco Rule
Pompes à pompe Johnson
Pompes TMC
Pompes Attwood
Pompes à baleines
Pompes Shurflo
Pompes de cale économiques
Pompes autoclaves
Pompes auto-amorçantes
Pompes d'aération capturées
Pompes Autoclaves ANCOR
Pompes manuelles
Pompes pour le transfert et le lavage des ponts
Accessoires Pièces de rechange Pompes
Commutateurs de pompes de cale
Commutateurs de pompes de cale
Panneaux de contrôle
Macérateurs WC - Pompes de vidange
WC manuels et électriques
WC électriques
WC manuels
Trousse de transformation des toilettes
Pièces de rechange d'accessoires de toilette
Turbines pour moteurs et pompes
Turbines Jabsco d'origine
Pompes de refroidissement moteur ANCOR
Pompes de transfert d'huile et de diesel
Puits de collecte
Raccords hydrauliques
Raccords en bronze
Raccords en laiton
Vannes et électrovannes
Filtres à eau
Robinets
Robinets / Mélangeurs
Douches Douches
Tuyaux, contenants et accessoires pour douchettes à main
Drains et dalots en nylon
Drains et dalots en laiton inoxydable
Chaudières nautiques marines
Dessalinisateurs marins
Climatisation
Déshumidificateurs
Appareils ménagers
Glacières igloos
Glacières Icey-Tek
Réfrigérateurs, congélateurs, machines à glaçons
Éviers Éviers
Cuisinières Cuisinières
Barbecue et Accessoires
Réservoirs d'eaux noires et grises
Réservoirs d'eau claire
Raccords rapides et sucettes en laiton et nylon
Tuyaux d'eau
Conduites d'eau claires
Conduites d'eau noires
Conduites d'eau chaude
Raccords d'eau
Seaux et pelles
Capuchons Expansion et Aleggio
STOCKAGE ET ENTRETIEN
Huiles et lubrifiants
Huile moteur marin
Huile hydraulique
Graisses et protections
Anticorrosifs et additifs
Lubrifiants de nettoyage
Absorbants
Huile, graisse et additifs BARDAHL
Colles et Adhésifs
Scellants et adhésifs
Colles et kits de réparation
Ruban adhésif
Peintures et vernis
Peintures en aérosol
Peintures pour bois
Diluants
Brosses et accessoires
Apprêts, bases et émaux
Peinture gelcoat
Une résine époxy
Antifouling
Kit de peinture antisalissure
HEMPEL Antifouling
Antifouling AEMME COLORI
Antifouling MARLIN
Antifouling VENEZIANI
Anodes et zinc
coques
Moteurs
Kit Anodes Zinc Moteurs
Bateau d'anodes de zinc
Nettoyage de bateaux et dériveurs
Nettoyer le teck
Détergents et nettoyants
Cires, Protecteurs et Polis
Accessoires de nettoyage de bateaux
Produits de nettoyage StarBrite
Produits SHURHOLD
Produits TBRITE
Produits de nettoyage et d'entretien 3M
Produits de nettoyage Deck Mate
Produits de nettoyage Euromeci
Produits de nettoyage TK LINE
Produits de nettoyage IOSSO
Produits d'entretien Clin Azur
Chariots, accessoires, accessoires
Chariots à bateaux de dériveur
Talons Accessoires Chevalets
Accessoires pour chariots
ÉLECTRICITÉ ET SIGNALISATION
Batteries, onduleurs et chargeurs
Batteries
Accessoires de batterie
Interrupteur de batterie
Onduleur et chargeur
Régulateurs de charge et batteries portables
Piles alcalines DURACELL
Interrupteurs et prises
MARINCO Prises, Fiches, Câbles à quai
Prises, fiches, câbles de quai
Prises, Fiches Câbles Dockside HUBBEL
Interrupteurs et lumières
Prises et fiches
Presse-étoupes en Acier, Laiton, Nylon
Feux de navigation
Feux de signalisation Aqua
Lumières Hella Marine
Feux de navigation oscillants
Feux de navigation
Lumières DHR
Lumières sous-marines et phares d'intérieur
Phares sous-marins
Lumières sous-marines BlueFin
Lumières sous-marines rapides
Plafond intérieur et spots
Plafonniers
Spots d'intérieur
Spots à LED rapides
Lampes électriques à l'ancienne
Bande Led
Projecteurs fixes, manuels et télécommandés
Lumières de courtoisie
Lumières de courtoisie rapides
Ampoules de remplacement
Ampoules Halogènes
Ampoule LED
Trompettes
Torches
Panneaux électriques
Essuie-glaces, bras et balais
Générateurs et groupes électrogènes
Câbles électriques
Faston, Cosses de câble, Fusibles, Porte-fusibles
Gaines, Chaussettes Tressées, Spirales
INSTRUMENTATION / ÉLECTRONIQUE
Cartes marines et Portolani
Navigateurs GPS Echoscadagli
Eco/Gps Lowrance
Raymarine
Sondeurs pour traceur de cartes GARMIN
Navigateurs GPS Nav-Station
Instrumentation SIMRAD
Instrumentation VDO
Instrumentation Furuno
Cartographie GPS électronique
Transducteurs, Black Box, Câbles de connexion
GPS portable
Radio VHF et antennes
Radios VHF portables et fixes Cobra Marine
Radio VHF Garmin
Radios VHF portables et fixes I-COM
Radios VHF portables et fixes Horizon standard
Radio Stéréo Marine KICKER
Radio stéréo nautique
Epirb et AIS
Antennes VHF et GPS
Antennes satellites, antennes TV
Haut-parleurs
Instrumentation météorologique
Instrumentation Barigo
Instruments embarqués automatiques
Girouette Windex et anémomètres
Jumelles
Indicateurs de niveau et instruments
Indicateurs et instruments VDO OCEAN LINE
Indicateurs et instruments VDO VIEW LINE
Capteurs de carburant et d'eau VDO
Indicateurs et instruments FARIA INSTRUMENTS
Indicateurs et instruments CRUZPRO
Boussoles
Compas RIVIERA GENOVA
Boussoles PLASTIMO
Boussoles AUTONAUTIQUES
Caméras et vidéos
Tracker Alarmes Systèmes Satellites
SÉCURITÉ / ÉQUIPEMENT EMBARQUÉ
Gilets de sauvetage et annulaires
Gilets de sauvetage
Vestes d'aide à la flottabilité
Accessoires pour Vestes
Ceintures de sécurité et Banzighi
Signaux
Extincteurs
Boîtes de premiers soins
Kit complet d'équipement de sécurité
Radeaux et annexe
Appel d'offres Eurovinil
Appel d'offres Arimar
Radeaux Eurovinil
Radeaux Arimar
tendre gibsy
Appel d'offres CIMATECNIC
Appel d'offres Plastimo
Radeaux Plastimo
Accessoires pour annexes et gonflables
Accessoires pour Radeaux et Selles
Gonfleurs et compresseurs
Enchères Manoverboard et IOR
Vêtements de protection
Vêtements de temps libre
Des couteaux
Conteneurs et valises étanches
Bouées de sauvetage et accessoires
Bouées de sauvetage et Baywatch
Accessoires pour gilets de sauvetage
Bouées lumineuses
MÉCANIQUE, MOTEURS ET SYSTÈMES DE CONDUITE
Systèmes de direction et de conduite
Direction hydraulique Seastar Dometic
Direction hydraulique Ultraflex
Direction hydraulique hors-bord MAVIMARE
Direction hydraulique intérieure Vetus
Gouvernails et volants
Volets et barres de gouvernail
Directions mécaniques et monocâbles
Accessoires pour systèmes de direction hydrauliques
Accessoires du système de guidage
Boîtiers de commande de direction
Câbles de télécommande pour la commande de moteur
Moteurs électriques hors-bord
Accessoires pour moteurs électriques hors-bord
Filtres Moteur, Carburant, Décanteurs et Séparateurs
Filtres et cartouches diesel
Filtres à huile et cartouches
Filtres à carburant
Filtres à eau
Filtres et cartouches d'essence
Systèmes de purification de diesel
Bougies
Bouchons de pont
Réservoir d'essence
Réservoirs de carburant portables
Réservoirs de carburant à grand débit
Accouplements de moteur de carburant
Accessoires Réservoirs et Entonnoirs
Accessoires pour moteurs hors-bord
Ailerons stabilisateurs
Antivols, plaques de protection de carter
Supports de support de moteur
Couvert de moteur
Supports antivibratoires
Hélices Moteurs
Hélices en aluminium SOLAS
Hélices en acier inoxydable SOLAS
Hélices Solas DUOPROP
Solas Multifit et kit de couplage flexible
Silencieux et anti-siphons
Évents de carburant en plastique en laiton en acier inoxydable
Bouchons de lave-moteur et barres d'extension
Bagues pour essieux
Clés de sécurité des moteurs
Insonorisant Isolation acoustique Isolation thermique
Soufflet Manchons Moteurs
Tuyaux de carburant
Pièces détachées moteurs
Pièces détachées moteur MERCRUISER
OMC, pièces de rechange de moteur de VOLVO
Pièces de rechange pour moteurs BRP, MERCURE
Turbines pour moteurs inboard
VOILE ET SPORTS NAUTIQUES
Voile et accessoires de voile
poulies enrouleurs Ubi Maior
Barton Pastecche Blocs
Blocs Viadana
Poulies, taquets, chaumards, cavaliers
Poignées de treuil et poignées de porte
Serravele, couverture, girouette, inclinomètres
Chariots Gênes et Spin
Treuil et accessoires pour treuil
Fourgons rigides
Dauphin
Sports nautiques
Planches Gonflables SUP
Remorquage de structures gonflables
Wakeboard et Ski Nautique
OBJETS ET MOBILIER
Vaisselle Cendrier Porte-gobelet
Lunettes magnétiques SILWY
Vaisselle et mobilier d'entreprise marine
Assiettes et verres TOP CLASS
Accessoires en teck
Enveloppes et étuis
Anti Mouettes
Vélos
Filets de protection et porteurs d'objets
Tapis en tissu et corde
Chaises, sièges, couvertures, tables
Supports de table
Porte-clés
Meubles de salle de bains
Mobilier de chambre
Coffrages et casiers
Mes favoris
Se connecter
S'identifier
SOLDES D’HIVER
marques
Blog
REPRISE DES EXPÉDITIONS LE 07/01!
Base en nylon articulé
prezzo
€ 14,19
€ 16,69
-15%
Ajouter
Base en nylon articulé
Détails
Richiedi info
Opinioni
prezzo
€ 14,19
€ 16,69
-15%
Ajouter
Antennes VHF et GPS
Home
INSTRUMENTATION / ÉLECTRONIQUE
Radio VHF et antennes
Antennes VHF et GPS
-15%
Base en nylon articulé
Marques
MARINE TOWN
-
Code:
5555205
(0)
€ 14,19
€ 16,69
-15%
Risparmi € 2,50
iva inclusa
Commandez avant 12h pour recevoir votre marchandise le
30/01/2026
quantité
Demander la disponibilité
Ajouter au panier
Imprimer
Scrivi recensione
An einen frien
Condividi
Code
Titre
5555205
Base en nylon articulé
Détails
Demande d'information
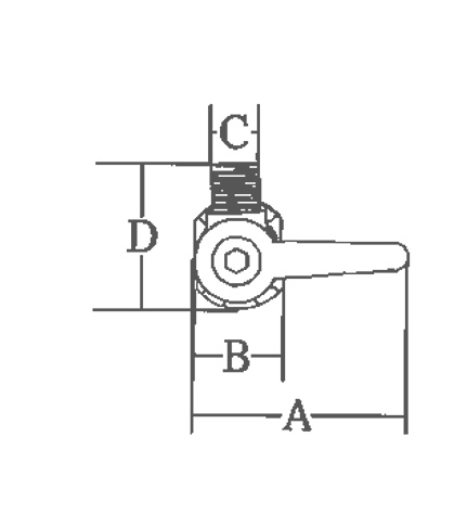
BASE ARTICULÉE EN NYLON
Socle articulé en nylon pour montage sur tubes Ø mm. 22-25. Dim. mm. A = 110 B = 44 C = 25 D = 70
Commentaires
Pour ècrire un commentaire vous devez vous connecter
a>.
De la même catégorie
WINTER SALES
- 35%
Antenne Banten FASTFIT VHF
€ 75,64
€ 49,17
WINTER SALES
- 35%
Banten FASTFIT VHF Antenna Base
€ 68,32
€ 44,41
- 10%
Panneau de fibre Scout KS-21 VHF 3dB 90 cm
€ 66,00
€ 59,40
- 15%
Antenne VHF RA 121
€ 168,98
€ 143,63
- 5%
Scout KM-22 BS VHF 3dB 1,5 m avec base de tableau de bord
€ 67,00
€ 63,65
- 10%
PL259 A Adaptateur Tnc
€ 5,11
€ 4,60
- 10%
Base articulée Scout PA-3 en nylon à 4 voies
€ 26,00
€ 23,40
- 20%
Scout PA-3 Black Edition Jointed in 4 Way Nylon
€ 18,09
€ 14,47
×
Base en nylon articulé
Rempli avec vos données pour être informé dès que le produit sera à nouveau disponible
Nom
Nom de famille
Adresse e-mail
×
Base en nylon articulé
×
An einen frien
×
Custom form
Email Newsletter
Abonnez-vous à notre newsletter
Rejoignez-nous
J'accepte le traitement de la confidentialité (
Link
)
P.IVA 02034060406
Software Ecommerce
by Daisuke®
Newsletter Popup